plc電動機正反轉控制實驗
時間:2025-02-01 23:40:24 點擊次數:
中人教儀廠

一、引言
--工業自動化技能的不斷開展,可編程邏輯操控器(PLC)作為工業自動化范疇的核心設備,其使用越來越廣泛。PLC電機正回轉操控試驗是PLC學習掌控把握掌控把握掌控把握與實踐的重要一環,經過該試驗,咱們能夠深化理解PLC的作業原理,把握PLC編程技巧,完成電機的正回轉操控。--將對PLC電機正回轉操控試驗實行具體闡述,含有試驗意圖、試驗原理、試驗步驟、試驗成果及剖析等方面。
二、試驗意圖
本次試驗的首要意圖是:
把握PLC實驗臺的PLC的根本作業原理和編程辦法;
學會運用PLC實驗臺的PLC完成對電機的正回轉操控;
理解電機正回轉操控的原理及完成辦法;
提升著手實踐才能和問題解決才能。
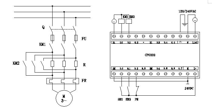
三、試驗原理
電機正回轉操控是經過改動電機電源的相序來完成的。在PLC實驗臺中,咱們能夠經過編程操控PLC輸出端口的通斷狀況,然后改動電機電源的相序,完成電機的正回轉。
PLC的編程一般應用梯形圖(Ladder Diagram)辦法,經過邏輯運算和條件判別,操控PLC輸出端口的通斷狀況。在本試驗中,咱們將運用PLC編程系統編寫操控程序,完成對電機的正回轉操控。
四、試驗步驟
試驗準備
首要,準備好試驗所需的設備,含有PLC、電機、電源、操控線路等。保證一切設備完好無損,能夠正常運用。--熟悉PLC編程系統的根本實操,理解電機正回轉操控的相關知識。
PLC與電機銜接
按照試驗要求,將PLC的輸出端口與電機的操控線路銜接起來。留意銜接的正確性,保證PLC能夠操控電機的電源相序。
編寫操控程序
打開PLC編程系統,創建一個新的項目。按照項目需求,編寫電機正回轉操控的梯形圖程序。在程序中,設定合適的寫入信號(如按鈕、開關等)作為操控條件,經過邏輯運算和條件判別,操控PLC輸出端口的通斷狀況,然后完成電機的正回轉。
程序下載與調動測量試驗
將編寫好的程序下載到PLC中,并實行調動測量試驗。在調動測量試驗中,留意調查PLC輸出端口的通斷狀況是否與程序設定一起合作,以及電機的作業狀況是否符合預期。如有問題,及時修正程序并重新調動測量試驗。
試驗測驗
在調動測量試驗無誤后,實行試驗測驗。經過實操寫入信號(如按下按鈕),調查電機的作業狀況。測驗電機的正轉、回轉以及停止功用是否正常。
五、試驗成果及剖析
經過試驗實操,咱們成功完成了PLC對電機的正回轉操控。試驗成果表明,咱們所編寫的操控程序是正確的,能夠有效地操控電機的電源相序,完成正回轉功用。
在試驗中,咱們也遇到了一些問題,如銜接線路過錯、程序邏輯過錯等。經過仔細查驗和調動測量試驗,咱們最終解決了這些問題,并取得了杰出的試驗效果。
經過本次試驗,咱們深刻理解了PLC的作業原理和編程辦法,把握了電機正回轉操控的原理及完成辦法。--咱們也提升了著手實踐才能和問題解決才能,為往后的學習掌控把握掌控把握掌控把握和作業打下了堅實的基礎。
六、試驗--與展望
本次PLC電機正回轉操控試驗讓咱們深化理解了PLC在電機操控中的使用。經過實踐實操,咱們不只把握了PLC編程技巧,還學會了怎么運用PLC完成對電機的正回轉操控。這對于咱們往后在工業自動化范疇的學習掌控把握掌控把握掌控把握和作業設定有重要意義。
-咱們將繼續深化學習掌控把握掌控把握掌控把握和研討PLC技能,探索更多雜亂的操控任務和使用場景。--咱們也期望能夠將所學知識使用到實際項目中,為工業自動化的開展貢獻自己的力氣。
七、結語
--PLC電機正回轉操控試驗是一次非常有益的學習掌控把握掌控把握掌控把握和實踐閱歷。經過本次試驗,咱們不只穩固了課程課程課程理論知識,還提升了實踐才能和立異認識。信任在未來的學習掌控把握掌控把握掌控把握和作業中,咱們會更加自信地面對各種挑戰和機遇。
以上文章僅供參考。
常見問題:
1、如果我要購買plc電動機正反轉控制實驗,PLC實驗臺,是否有安裝、培訓服務呢?
答:我們的設備如果沒有特別注明“不含安裝”“裸機價”“出廠”等字樣的,都是提供安裝、培訓服務的。
2、你們的plc電動機正反轉控制實驗,PLC實驗臺是否能開增值稅專用發票?
答:可以的,我們是正規企業,并且已經升級到一般納稅人,可以開具增值稅專用發票,如果您需要開plc電動機正反轉控制實驗,PLC實驗臺的發票,您需要提供開票資料。
3、你們的plc電動機正反轉控制實驗,PLC實驗臺都是自己生產的嗎?都有什么產品資質?
答:我們公司是專業生產教學設備的企業,完全自主生產,并通過了最新版ISO9001認證,擁有多項專利與著作權。
本文來自網絡,不代表本站立場,圖片為參考圖片,轉載請注明出處:plc電動機正反轉控制實驗,PLC實驗臺